首页
关于我们
产品中心
球阀
闸阀
蝶阀
放料阀
调节阀
隔膜阀
夹管阀
过滤器
截止阀
旋塞阀
取样阀
阻火器
止回阀
视镜视盅
锻钢球阀系列
荣誉资质
品质保障
铸造车间
车间现场
新闻中心
行业新闻
公司新闻
常见问题
解决方案
联系我们
产品中心
您的位置:
首页
/
产品中心
/
产品列表
球阀
闸阀
蝶阀
放料阀
调节阀
隔膜阀
夹管阀
过滤器
截止阀
旋塞阀
取样阀
阻火器
止回阀
视镜视盅
锻钢球阀系列
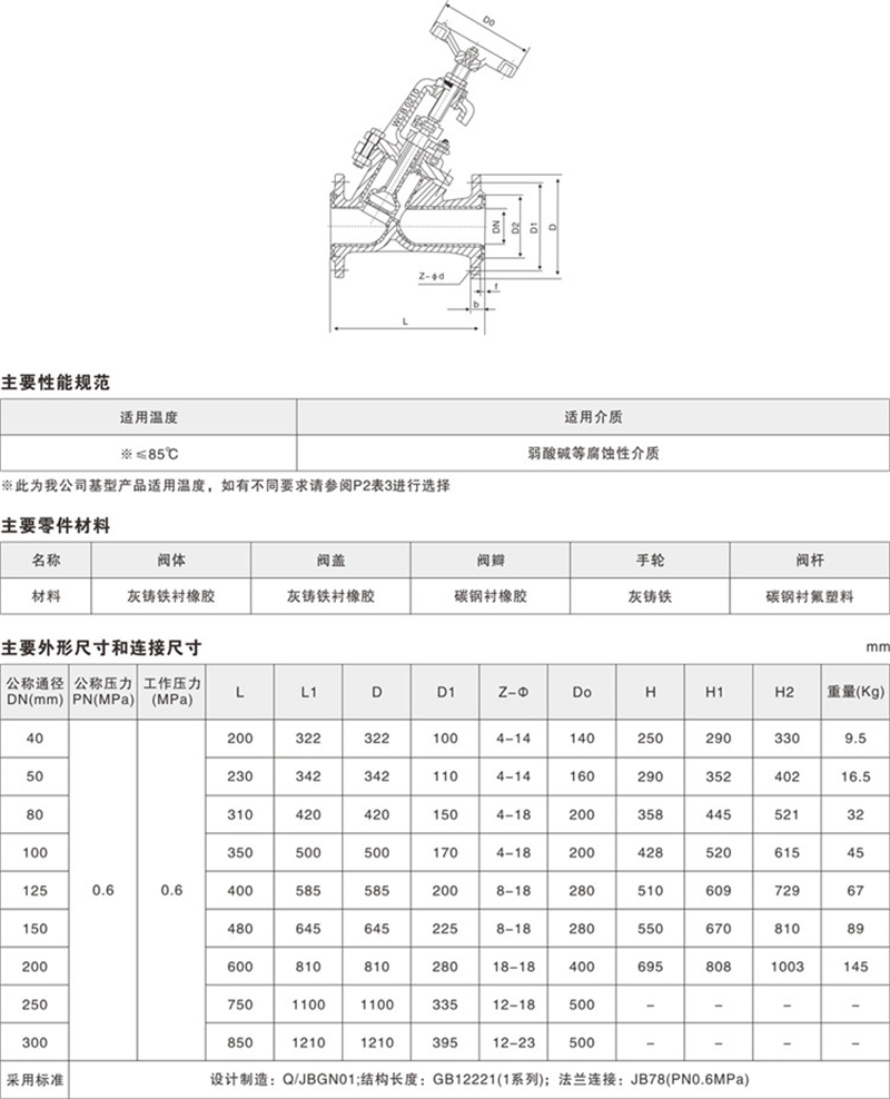
J45J-16C直流式衬胶截止阀
用途与性能规范
Z941F46-16C电动衬氟闸阀
查看详细 +
Z41F46-150LBP不锈钢美标衬氟闸阀
查看详细 +
Q641F46-16P不锈钢气动衬氟球阀
查看详细 +
Q641F46-16C气动衬氟球阀
查看详细 +
Q341F46-16C涡轮衬氟球阀
查看详细 +
D971F46-16C电动对夹式衬氟蝶阀
查看详细 +